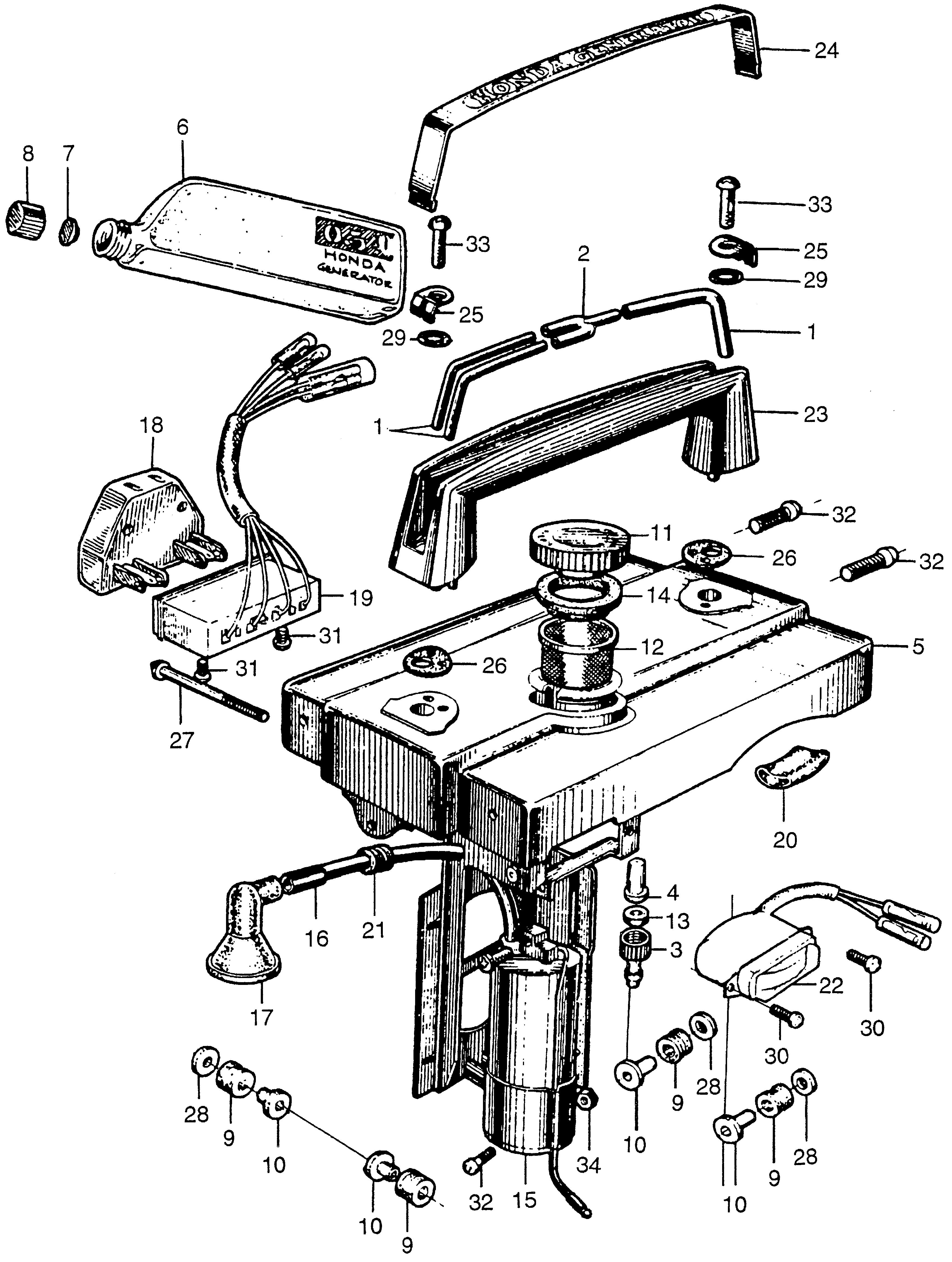
Generators E E40 E40 A GE40-10001-9999999 FUEL TANK@IGNITION COIL - Dennis Equipment Co., Inc.

Ref No
Part Number
Description
Serial Range
Qty
Price

Ref No
1
Part Number
15761-801-000
Description
TUBE, BREATHER (NOT AVAILABLE)
Serial Range
1000001 - 9999999

Ref No
2
Part Number
15766-801-000
Description
TUBE, BREATHER (NOT AVAILABLE)
Serial Range
1000001 - 9999999

Ref No
3
Part Number
16911-800-010
Description
BODY, STRAINER (NOT AVAILABLE)
Serial Range
1000001 - 9999999

Ref No
4
Part Number
16912-800-010
Description
ELEMENT
Serial Range
1000001 - 9999999

Ref No
4
Part Number
16981-836-700
Description
FILTER, CHECK (NOT AVAILABLE)
Serial Range
1000001 - 9999999

Ref No
5
Part Number
17500-801-030T
Description
TANK, FUEL *NH2M* (METALLIC SILVER) (NOT AVAILABLE)
Serial Range
1000001 - 9999999

Ref No
6
Part Number
17570-921-000
Description
TANK, OIL
Serial Range
1000001 - 9999999

Ref No
7
Part Number
17551-800-000
Description
INNER CAP, FUEL TANK (NOT AVAILABLE)
Serial Range
1000001 - 9999999

Ref No
8
Part Number
17573-801-810
Description
CAP, SUB-TANK (NOT AVAILABLE)
Serial Range
1000001 - 9999999

Ref No
9
Part Number
17621-801-000
Description
DAMPER, TANK STAY (NOT AVAILABLE)
Serial Range
1000001 - 9999999

Ref No
10
Part Number
17641-801-000
Description
COLLAR, TANK DISTANCE (NOT AVAILABLE)
Serial Range
1000001 - 9999999

Ref No
11
Part Number
17650-801-020
Description
CAP, TANK
Serial Range
1000001 - 9999999

Ref No
12
Part Number
17672-801-010
Description
FILTER, FUEL (NOT AVAILABLE)
Serial Range
1000001 - 9999999

Ref No
13
Part Number
17673-800-000
Description
GASKET, ELEMENT SEALED (NOT AVAILABLE)
Serial Range
1000001 - 9999999

Ref No
14
Part Number
17673-836-000
Description
RUBBER, FILTER (NOT AVAILABLE)
Serial Range
1000001 - 9999999

Ref No
15
Part Number
30500-800-000
Description
COIL, A.C. IGNITION
Serial Range
1000001 - 9999999

Ref No
15
Part Number
30500-814-000
Description
COIL, A.C. IGNITION (NOT AVAILABLE)
Serial Range
1000001 - 9999999

Ref No
16
Part Number
30600-800-010
Description
TERMINAL, IGNITION (NOT AVAILABLE)
Serial Range
1000001 - 9999999

Ref No
17
Part Number
30611-800-010
Description
CAP, IGNITION TERMINAL (NOT AVAILABLE)
Serial Range
1000001 - 9999999

Ref No
18
Part Number
32320-801-810
Description
ADAPTER (250V 10A) (NOT AVAILABLE)
Serial Range
1000001 - 9999999

Ref No
19
Part Number
32330-801-000
Description
RECEPTACLE ASSY., DOUBLE (NOT AVAILABLE)
Serial Range
1000001 - 9999999

Ref No
20
Part Number
32941-800-000
Description
COVER, BINDER
Serial Range
1000001 - 9999999

Ref No
21
Part Number
32956-800-000
Description
GROMMET, WIRE (NOT AVAILABLE)
Serial Range
1000001 - 9999999

Ref No
22
Part Number
37450-801-670
Description
VOLTMETER (117V) (NOT AVAILABLE)
Serial Range
1000001 - 9999999

Ref No
23
Part Number
68110-801-020
Description
GRIP (NOT AVAILABLE)
Serial Range
1000001 - 9999999

Ref No
24
Part Number
68121-801-000
Description
COVER, GRIP (NOT AVAILABLE)
Serial Range
1000001 - 9999999

Ref No
25
Part Number
68125-801-000
Description
HOOK, GRIP COVER
Serial Range
1000001 - 9999999

Ref No
26
Part Number
68142-801-000
Description
GASKET, GRIP (NOT AVAILABLE)
Serial Range
1000001 - 9999999

Ref No
27
Part Number
90191-801-000
Description
SCREW, TANK SETTING (NOT AVAILABLE)
Serial Range
1000001 - 9999999

Ref No
28
Part Number
90483-041-000
Description
WASHER, STOPPER
Serial Range
1000001 - 9999999
Qty
Price
$2.57

Ref No
29
Part Number
91301-801-000
Description
O-RING (5X1.5) (NOT AVAILABLE)
Serial Range
1000001 - 9999999

Ref No
30
Part Number
93500-03006-0B
Description
SCREW, PAN (3X6) (NOT AVAILABLE)
Serial Range
1000001 - 9999999

Ref No
31
Part Number
93500-03014
Description
SCREW, PAN (3X14) (NOT AVAILABLE)
Serial Range
1000001 - 9999999

Ref No
32
Part Number
93500-05018-0A
Description
SCREW, PAN (5X18)
Serial Range
1000001 - 9999999
Qty
Price
$1.10

Ref No
33
Part Number
93500-06018-0A
Description
SCREW, PAN (6X18)
Serial Range
1000001 - 9999999
Qty
Price
$1.54

Ref No
34
Part Number
94001-05000-0S
Description
NUT, HEX. (5MM)
Serial Range
1000001 - 9999999
Qty
Price
$3.67