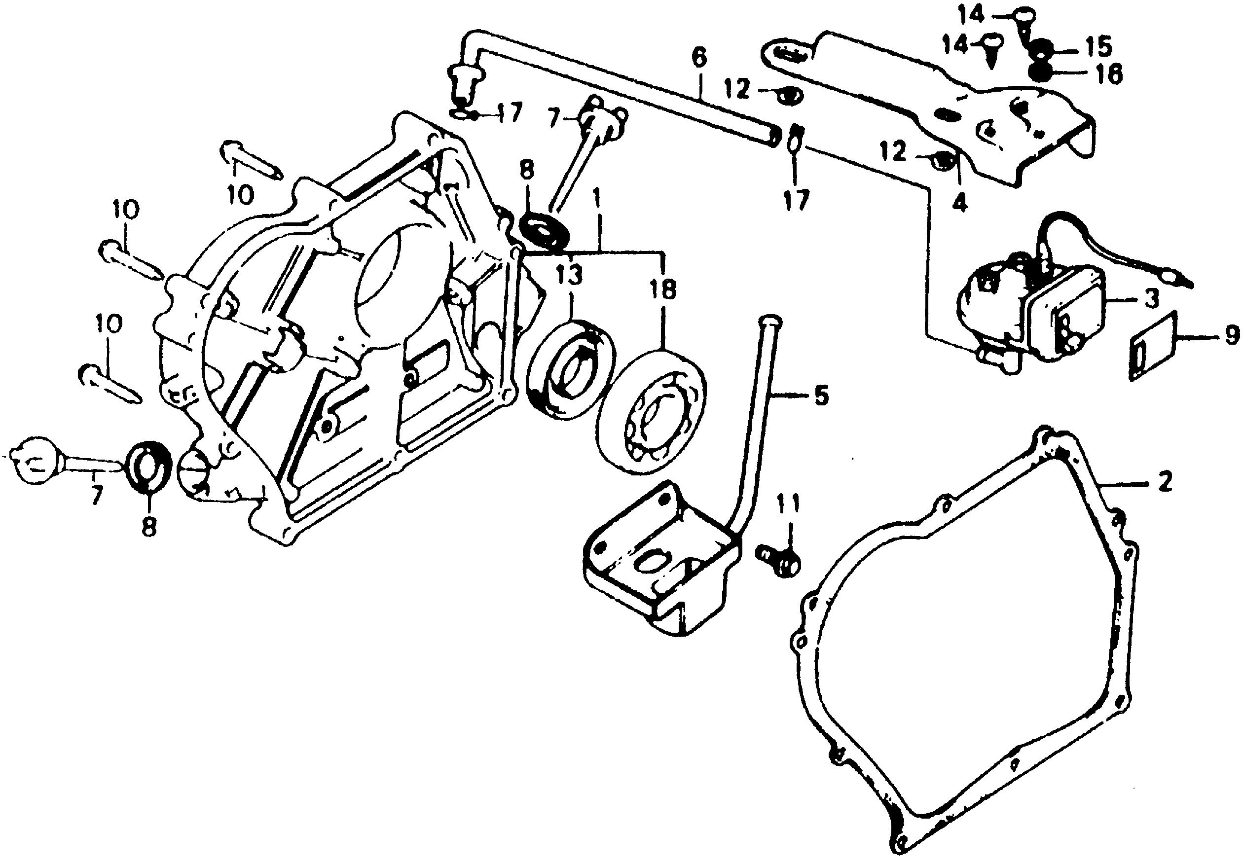
Water Pumps WT WT20 WT20 C G200-1867068-9999999 WT20 CRANKCASE COVER - Dennis Equipment Co., Inc.

Ref No
Part Number
Description
Serial Range
Qty
Price

Ref No
1
Part Number
11300-883-860
Description
COVER ASSY., CRANKCASE (NOT AVAILABLE)
Serial Range
1000001 - 9999999

Ref No
2
Part Number
11381-883-800
Description
GASKET, CASE COVER
Serial Range
1000001 - 9999999
Qty
Price
$14.10

Ref No
3
Part Number
15520-883-881
Description
SWITCH ASSY., OIL ALERT UNIT
Serial Range
1000001 - 9999999
Qty
Price
$112.07

Ref No
4
Part Number
15521-883-890
Description
BRACKET, OIL ALERT UNIT SWITCH
Serial Range
1000001 - 9999999
Qty
Price
$37.73

Ref No
5
Part Number
15525-883-891
Description
CUP, OIL (NOT AVAILABLE)
Serial Range
1000001 - 9999999

Ref No
6
Part Number
15530-883-891
Description
TUBE, OIL ALERT
Serial Range
1000001 - 9999999
Qty
Price
$23.56

Ref No
7
Part Number
15620-883-010
Description
CAP, OIL (YELLOW) (NOT AVAILABLE)
Serial Range
1000001 - 9999999

Ref No
8
Part Number
15621-896-010
Description
GASKET, OIL FILLER CAP
Serial Range
1000001 - 9999999
Qty
Price
$6.01

Ref No
9
Part Number
87522-883-660
Description
MARK, CAUTION (ENGLISH/FRENCH/SPANISH)
Serial Range
1000001 - 9999999
Qty
Price
$5.35

Ref No
10
Part Number
90017-883-000
Description
BOLT, FLANGE (6X32) (CT200)
Serial Range
1000001 - 9999999
Qty
Price
$3.59

Ref No
11
Part Number
90061-161-000
Description
BOLT, FLANGE (6X16)
Serial Range
1000001 - 9999999
Qty
Price
$4.09

Ref No
12
Part Number
90581-831-650
Description
WASHER (18MM)
Serial Range
1000001 - 9999999
Qty
Price
$2.51

Ref No
13
Part Number
91201-Z0T-801
Description
OIL SEAL (25X41X6) (NOK)
Serial Range
1000001 - 9999999

Ref No
14
Part Number
93903-25180
Description
SCREW, TAPPING (5X10)
Serial Range
1000001 - 9999999
Qty
Price
$1.21

Ref No
15
Part Number
94001-05080-0S
Description
NUT, HEX. (5MM)
Serial Range
1000001 - 9999999
Qty
Price
$1.39

Ref No
16
Part Number
94111-05800
Description
WASHER, SPRING (5MM)
Serial Range
1000001 - 9999999
Qty
Price
$1.52

Ref No
17
Part Number
95002-70000
Description
CLIP, TUBE (C11)
Serial Range
1000001 - 9999999
Qty
Price
$2.20

Ref No
18
Part Number
96100-62050-00
Description
BEARING, RADIAL BALL (6205)
Serial Range
1000001 - 9999999